丹佛斯變頻器FC51是一款高性能變頻器,可以控制功率高達 22 kW 的風機和水泵,外形小巧功能超強可靠,具有內置SLC(智能邏輯)功能,可以滿足各種應用需求。
在水泵應用中,我們經常會接觸到恒壓控制系統。丹佛斯FC51變頻器自帶PI調節功能,能實現恒壓供水控制。但是恒壓供水系統中還有很多其他功能,例如:休眠功能,我們就可以使用FC51自帶的SLC功能來實現。
現在我們來介紹如何運用FC51的 SLC邏輯實現恒壓供水+休眠功能。
一、休眠功能的要求:
在恒壓供水控制系統中,為了節省電能和防止水泵頻繁啟停,要求當泵的速度低至輸出頻率下限,延時一段時間后變頻器自動停止輸出,進入休眠狀態;然后當壓力反饋值低于設定壓力下限值時,再自動喚醒變頻器。
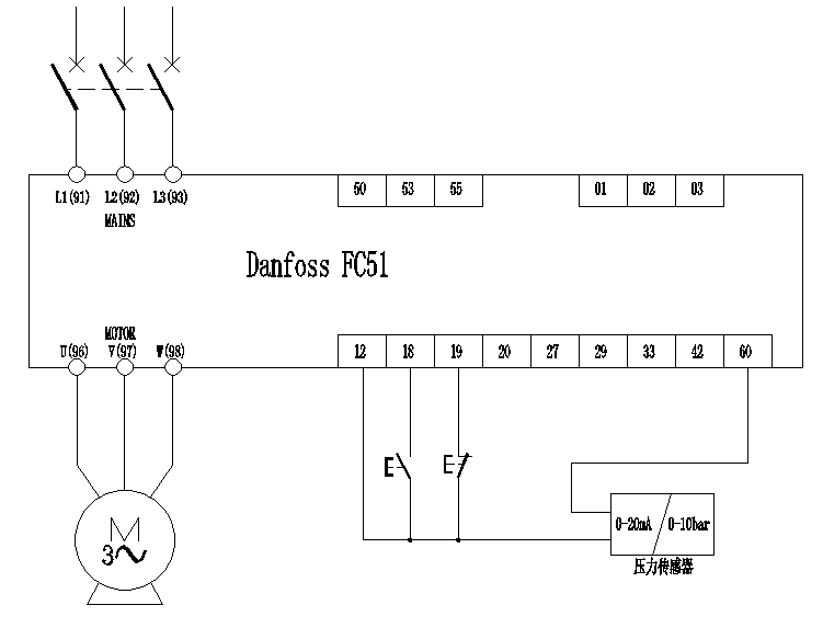
具體接線圖如下:
系統時序圖如下所示:
SLC邏輯原理圖如下所示:

通過以上設置,當恒壓系統中泵的轉速低于20.1 Hz時,延時10秒,啟動休眠模式,變頻器停止輸出;在泵處在休眠狀態時,當恒壓供水系統的壓力反饋值低于4 bar時,延時10秒,啟動變頻器,這樣就實現了恒壓供水系統的休眠功能。
聲明:
本文版權為上海津信變頻器有限公司所有,如需轉載請注明出處。
獲取更多幫助和支持,請登陸上海津信變頻器有限公司網站 www.cnqjj.cn 或撥打上海津信變頻器專業服務中心7/24技術支持熱線400-888-6560,隨時與我們聯系。
?